理論授課教案

第六章 碳酸鹽岩

作者:| 來源: | 時間:2018-07-09

第六章 碳酸鹽岩Carbonate rocks... 1

第一節  碳酸鹽岩概論... 1

一、緒言... 2

二、碳酸鹽岩的成分... 2

三、碳酸鹽岩的結構組分(重點)... 3

四、碳酸鹽岩的構造(簡介、以自學為主)... 4

五、碳酸鹽岩的顔色(簡介)... 5

六、碳酸鹽岩的研究方法(簡介)... 5

第二節  碳酸鹽岩的生物骨骼組分... 5

一、碳酸鹽岩中生物骨骼的主要礦物成... 6

二、鈣質生物骨骼的結構分類... 6

三、碳酸鹽岩中常見生物門類骨骼鑒定特征... 7

第三節  石灰岩(Limestones... 9

一、石灰岩的成分分類... 9

二、石灰岩的結構分類... 10

三、石灰岩的主要類型... 14

第四節  白雲岩(Dolostones) 15

一、白雲岩岩類學... 16

二、白雲岩的生成機理... 16

三、白雲岩和成因分類... 21

  碳酸鹽沉積物的沉積後作用... 22

(postsedimentational process of carbonate sediments) 22

一、碳酸鹽沉積物沉積後作的主要類型... 23

二、碳酸鹽沉積物沉積後作用的環境(重點)... 25

三、成岩序列和成岩階段(簡介)... 27

 

 

 

第六章  碳酸鹽岩Carbonate rocks

 

第一節  碳酸鹽岩概論

General view of carbonate rocks

學時7學時(其中理論教學3學時、實驗4學時)

基本内容

①基本概念:碳酸鹽岩、顆粒、内顆粒(異化顆粒)、外顆粒、内碎屑、鲕粒、藻灰結核、球粒、晶粒、生物格架、泥、膠結物、疊層石、鳥眼構造、示底構造、縫合線。

②基本原理:碳酸鹽岩的結構組分的類型及其含義、内碎屑的成因、鲕粒的成因、膠結物的特征、灰泥與亮晶方解石的區别、疊層石形态與水動力和關系、碳酸鹽岩的研究方法。

重點碳酸鹽岩的主要結構組分的特征、内碎屑的成因、鲕粒的成因、膠結物的特征、灰泥與亮晶方解石的區别。

難點内碎屑的成因、鲕粒的成因、灰泥與亮晶方解石的區别。

教學思路首先簡要介紹碳酸鹽岩的成分特點,并從形成機理上與碎屑岩進行。然後重點講解碳酸鹽岩的結構組分,特别是顆粒、泥和膠結物,在沉積構造部分主要介紹與碎屑岩中不同的沉積構造,最後介紹碳酸鹽岩的研究方法、及碳酸鹽岩岩石學的最新研究進展。

主要參考書:

①馮增昭主編《沉積岩石學》上冊第十一章,石油工業出版社,1993.

②曾允孚、夏文傑主編《沉積岩石學》第九章,地質出版社,1986.

③馮增昭等主編《中國沉積學》第五、六、七章,石油工業出版社,1994.

④賈振遠、李之琪編《碳酸鹽岩沉積相及沉積環境》,地質大學出版社,1989.

⑤何幼斌編《Sedimentary Petrology》(英文輔助教材)第六章,江漢石油學院,2003.

Greensmith J T主編《Petrology of the sedimentary rocks》(7th ed. Unwin Hyman1989.

複習思考題

碳酸鹽岩的礦物成分包括哪些?

碳酸鹽岩的主要結構組分有哪些?它們的含義分别是什麼?

内碎屑的成因及不同粒級内碎屑的環境意義是什麼?

試述鲕粒類型與鲕粒形成的水動力條件的關系

說明碳酸鹽岩中灰泥和亮晶方解石膠結物是怎樣形成的?對比二者的異同。

教學内容提要

一、緒言

(一)基本概念

(二)碳酸鹽岩分布

(三)經濟價值

二、碳酸鹽岩的成分

(一)碳酸鹽岩的礦物成分(重點)

(二)碳酸鹽岩的化學成分

                  1.主要化學成分

                  2.微量元素

                  3.同位素

三、碳酸鹽岩的結構組分(重點)

(一)顆粒

                  1.内碎屑(重點)

 

 

 

 

 

 

 

 

 

 

 

 

 

竹葉狀礫屑灰岩

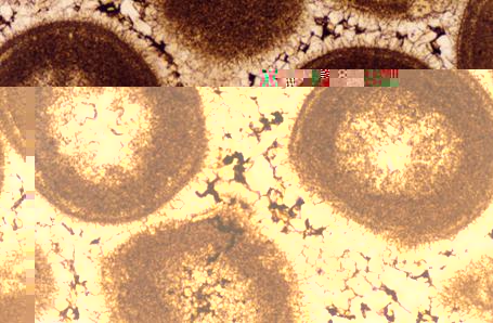
                  2.鲕粒(重點)和藻灰結核

 

 

 

 

 

 

 

 

 

亮晶鲕粒灰岩,川東北飛仙關組,4×10單偏光

3.藻粒

                  4.球粒與糞球粒

                  5.其它顆粒

(二)泥(muds

1.泥的特征

                  2.灰泥的成因

(三)膠結物(重點)

 

 

 

 

 

 

 

 

 

 

 

      亮晶鲕粒灰岩,具兩世代膠結作用,一世代為纖狀等厚環邊膠結物,

二世代為粒狀膠結物,飛仙關組,單偏光,10×10

1.膠結物的特征

                  2.成因

                  3.與灰泥的區别

(四)晶粒

(五)生物格架

(六)主要結構類型

                  1.顆粒(或粒屑)結構

                  2.生物骨架(格架)結構

                  3.泥晶結構或微晶結構

                  4.晶粒結構及殘餘結構

四、碳酸鹽岩的構造(簡介、以自學為主)

五、碳酸鹽岩的顔色(簡介)

(一)顔色類型

(二)決定因素

(三)與沉積環境的關系

六、碳酸鹽岩的研究方法(簡介)

(一)野外研究方法

(二)室内研究方法

 

 

第二節  碳酸鹽岩的生物骨骼組分

Organic skeletal constituents of carbonate rocks

學時4學時(其中理論教學1學時、實驗3學時)

基本内容

基本概念:隐粒結構、微粒結構、晶粒結構、單晶結構、層纖結構、柱纖結構、球纖結構、柱層纖結構、玻纖結構、葉片結構、交錯紋結構、珍珠結構、柱狀結構。

基本原理:生物骨骼的主要礦物成分、生物骨骼的主要結構類型、常見生物門類骨骼的鑒定特征。

重點生物骨骼的主要結構類型、常見生物門類骨骼的鑒定特征。

難點生物骨骼的主要結構類型。

教學思路在古生物學知識的基礎上,利用大量顯微照片,重點講解碳酸鹽岩生物骨骼的主要結構類型及特點,然後介紹一些常見生物門類骨骼的鑒定特征。

主要參考書:

①馮增昭主編《沉積岩石學》上冊第十二章,石油工業出版社,1993.

②王英華、張秀蓮、遲元芩編著《化石岩石學》,中國礦業大學出版社,1990.

③管守銳編《化石岩石學》,石油大學出版社,1989.

④餘素玉編著《化石碳酸鹽岩微相》,地質出版社,1989.

⑤地質部一普地質綜合研究大隊編《碳酸鹽岩圖冊》,地質出版社,1981.

中國科學院地質研究所沉積室等編《化石岩石學圖版》,北京石油勘探開發科學研究院印,1981.

複習思考題

研究和鑒别碳酸鹽岩中生物結構組分有何地質意義?

在碳酸鹽岩薄片中各門類生物骨骼的鑒别标志是什麼

試述鈣質生物骨骼顯微結構四種類型的特征。鈣質生物由低至高級,其骨骼的顯微結構有何演化規律

區别下列各組中生物骨骼的鑒别标志:

a)介形蟲、瓣鰓類、腕足類;

b)棘屑:海百合、海膽;

c)藻屑:紅藻、傘藻、松藻;

d)蟲屑:有孔蟲、介形蟲;

教學内容提要

一、碳酸鹽岩中生物骨骼的主要礦物成分

(一)鈣質

(二)磷質

(三)矽質

二、鈣質生物骨骼的結構分類

(一)原生結構

1.粒狀結構:膠粒或粘粒結構、隐粒結構、微粒結構

2.纖(柱)狀結構

①纖狀結構:層(正)纖結構、柱纖結構、球纖結構、玻纖結構、柱層纖結構

②柱狀結構

③片狀結構:平行片狀結構、傾斜片狀結構、交錯片狀結構、複雜交錯片狀結構

④單晶結構:連生單晶結構、網格單晶結構、薄壁單晶結構

 

 

各種纖狀結構立體示意圖

柱層纖狀結構立體示意圖

 

 

葉片結構立體示意圖

連生單晶和網格單晶結構示意圖

 

 

(二)次生結構

1.次生多晶結構

2.次生單晶結構

(三)顯微結構的演化規律

1.在不同門類中的演化

2.在同一門類中的演化

3.同一生物個體中的演化

三、碳酸鹽岩中常見生物門類骨骼鑒定特征

(一)鈣質藻類

1.藍藻門:孔層藻、藻綿層

2.綠藻門:粗枝藻科、松藻科

3.紅藻門:裸松藻科、珊瑚藻科、管孔藻科、翁格達藻

(二)原生動物門(主要講解骨骼形态和結構特征)

1.有孔蟲

2.蜓類

 

 

 

 

 

 

 

 

 

 

 

含生屑泥晶灰岩,蜓類,川東北二疊系,4×10單偏光

 

(三)海綿動物門

(四)古杯動物門

(五)腔腸動物門

(六)苔藓動物門

(七)腕足動物門

(八)軟體動物門

1.軟舌螺綱

2.竹節石綱

3.腹足綱

4.瓣鰓綱

5.頭足綱

(九)節肢動物門

1.三葉蟲綱

2.甲殼綱

(十)棘皮動物門

1.海百合綱

2.海膽綱

 

 

第三節  石灰岩(Limestones

學時4學時(其中理論教學2學時、實驗2學時)

基本内容

石灰岩的成分分類、石灰岩的結構分類、石灰岩的主要類型

重點石灰岩的結構分類及綜合命名

難點石灰岩的命名

教學思路首先簡要介紹石灰岩的成分分類及命名,然後重點介紹石灰岩的結構分類及綜合命名,對FolkDunham的結構分類進行重點評述,最後簡要介紹一些常見的石灰岩類型及其特征。

主要參考書:

①馮增昭主編《沉積岩石學》上冊第十三章,石油工業出版社,1993.

②曾允孚、夏文傑主編《沉積岩石學》第九章,地質出版社,1986.

WW.哈姆等主編,1962,馮增昭等譯,1981,《碳酸鹽岩分類文集》,科學技術文獻出版社重慶分社.

④馮增昭編著《碳酸鹽岩石學及岩相古地理學》,石油工業出版社,1989.

⑤何幼斌編《Sedimentary Petrology》(英文輔助教材)第六章,江漢石油學院,2003.

複習思考題

①按下列要求闡述福克(1962)的石灰岩分類:三端元組分的名稱及含義;四種主要岩石類型的名稱及存在的主要優點;存在的問題。

試将具顆粒結構的石灰岩陸源碎屑岩的結構組分進行對比,并按沉積時的水動力條件的相似性舉出三種以上相當的岩石類型

試分析亮晶砂屑灰岩、泥晶鲕粒灰岩、泥晶球粒灰岩、亮晶生物屑灰岩以及泥晶灰岩的形成環境

教學内容提要

一、石灰岩的成分分類

(一)成分分類

            1.石灰岩-白雲岩系列

根據碳酸鹽岩中的方解石和白雲石的相對含量,可首先把碳酸鹽岩劃分類石灰岩和白雲岩兩大類,其次,在這兩大類中,還可劃分出一系列的過渡類型。

野外常用的四種類型:

1)(純)石灰岩:方解石>75%

2)白雲質石灰岩:方解石7550%,白雲石2550%

3)灰質白雲岩:白雲石7550%,方解石2550%

4)(純)白雲岩:白雲石>75%

           2.石灰岩-粘土岩系列

石灰岩、含泥石灰岩、泥質石灰岩、含灰粘土岩、粘土岩

           3.石灰岩-粉砂岩系列

石灰岩、含粉砂石灰岩、粉砂質石灰岩、灰質粉砂岩,含灰粉砂岩,粉砂岩

           4.石灰岩-砂岩系列

石灰岩、含砂石灰岩、砂質石灰岩、灰質砂岩、含灰砂岩、砂岩

           5.三組分或多組分的分類

用三端元或多端元的圖解分類,如石灰岩-白雲岩-粘土岩系列

(二)兩級或三級分類命名原則(重點

1.兩級,即以>50%5025%的兩個含量級别進行分類命名

2.三級,以>50%5025%2510%三個含量級别進行分類命名

凡含量>50%的,用它定岩石的基本名稱以“XX岩”表示之

凡含量5025%的,用它定岩石基本名稱的主要形容詞,以“XX質”表示之

凡含量2510%的,用它定岩石基本名稱的次要形容詞,以“含XX”表示之

3.複合命名原則:岩石中沒有含量大于50%的成分,把含量5025%的成分聯合起來定岩石的基本名稱。

二、石灰岩的結構分類

(一)代表性的分類簡介

1.  福克(Folk,1959,1962)的石灰岩分類(重點)

 

異化顆粒Alochem Grains (allochems)

三個端元   微晶方解石泥(微晶)Microcrystalline Calcite Matrix (ooze)

亮晶方解石膠結物(亮晶)Sparry calcite cement

 

I:亮晶異化石灰岩——水動條件很強

三個主要岩類    Ⅱ:微晶異化石灰岩——水動力條件弱

Ⅲ:微晶石灰岩——水動力條件很弱

 

 

 

 

 

 

 

 

 

 

 

 

 

 

福克把Ⅰ、Ⅱ類叫做異常化學岩,把Ⅲ類叫做正常化學岩。

把由生物格架所組成的礁石灰岩叫做生物岩——Ⅳ類。

在這四個主要石灰岩類型的基礎上,Folk又根據異化顆粒的類型及其他特征,把石灰岩又細分為11種類型。

 

 

 

 

 

 

 

 

 

 

 

 

 

 

 

 

此外,Folk還根據異化顆粒的粒度特征、各種異化顆粒的相對含量以及其他成因特點,又制定了一個綜合性的碳酸鹽岩分類表。

優點:

1)把碎屑岩的結構觀點系統地引進到碳酸鹽岩中來首先提出異化顆粒和異常化學岩的觀點,從而打破了石灰岩的陳舊一統的“化學岩”的概念。

2)創建了一套全新的石灰岩結構分類和術語系統。

缺點:

1)三端元中“亮晶”不是獨立的組分,實際上是兩端元組分。

2)分類中未考慮重結晶作用的影響

3)綜合分類表中“清規戒律”太多,制造了不必要的人為的麻煩。

4)“正常化學岩”和“異常化學岩”為非描述性的成因術語,用它對岩石類型進行概括,并不恰當。

2.鄧哈姆(Dunham, 1962)的分類(重點)

1)對于顆粒-灰泥石灰岩來說,是兩端元組分分類

兩個端元顆粒:grain~異化顆粒、mud~灰泥/微晶方解石泥

顆粒岩Grainstone         高能環境

岩石類型泥質顆粒岩Packstone

顆粒質泥岩Wackstone

泥岩Mudstone             低能環境

2)特殊類型

粘結岩Boundstone

結晶碳酸鹽岩Crystallinecarbonate

3)優點:①簡明扼要,有高度的概括性;②與福克的分類相比,增加了一類結晶碳酸鹽岩

4)缺點:術語系統比較别扭和欠嚴謹,如“泥岩”易與粘土岩中的“泥岩”相混。

           3.其他分類

1)恩布裡和克洛範(Embry and Klovan, 1971

2)萊頓及潘德克斯特(Leighton and Pendexter, 1962

(二)本教材的分類(重點)

           1.原則

1)分類必須反映碳酸鹽岩岩類學的最新進展

2)分類必須首先是描述性的

3)分類必須有定量的标志

4)分類必須有廣泛的實用性

5)分類必須簡明扼要,并且一定的靈活性

6)術語應力求确切中肯,簡明扼要,通俗易懂,并适當照顧習慣

           2.分類

第Ⅰ大類:顆粒-灰泥石灰岩(分布最廣)

       灰泥

       顆粒(内碎屑、生物顆粒、鲕粒、球粒)

第Ⅱ大類:晶粒石灰岩,可據晶粒粗細進一步劃分

第Ⅲ大類:生物格架-礁石灰岩

 

   

   

%

   

晶粒

生物

格架

内碎屑

生物顆粒

鲕粒

球粒

藻粒

I

|

I1

 

顆粒石灰岩

I2

顆粒石灰岩

 

 

10    90

 

25           75

 

50           50

 

75           25

 

90    10

 

 

内碎屑

石灰岩

生粒石灰岩

鲕粒石灰岩

球粒石灰岩

藻粒石灰岩

|

含灰泥

顆粒石灰岩

含灰泥内碎屑石灰岩

含灰泥生粒石灰岩

含灰泥鲕粒灰岩

含灰泥球粒石灰岩

含灰泥藻粒石灰岩

灰泥質

顆粒石灰岩

灰泥質内碎屑石灰岩

灰泥質生粒石灰岩

灰泥質鲕粒灰岩

灰泥質球粒石灰岩

灰泥質藻粒石灰岩

顆粒質

石灰岩

顆粒質

灰泥石灰岩

内碎屑質灰泥石灰岩

生粒質灰泥石灰岩

鲕粒質灰泥石灰岩

球粒質灰泥石灰岩

藻粒質灰泥石灰岩

含顆粒

石灰岩

含顆粒

灰泥石灰岩

含内碎屑灰泥石岩

含生粒灰泥石灰岩

含鲕粒灰泥石灰岩

含球粒灰泥石灰岩

含藻粒灰泥石灰岩

無顆粒

石灰岩

灰泥石灰岩

灰泥石灰岩

灰泥石灰岩

灰泥石灰岩

灰泥石灰岩

灰泥石灰岩

 

命名實例:

1)某石灰岩中,灰泥30%,海百合碎屑60%,其它碎屑10%,灰泥質海百合屑灰岩

2)某石灰岩中,灰泥22%,砂屑70%,生屑8%,含灰泥砂屑灰岩

3)某石灰岩中,鲕粒75%,亮晶方解石25%,亮晶鲕粒灰岩

4)某碳酸鹽岩中,方解石85%,白雲石15%,砂屑70%,亮晶30%,亮晶砂屑含雲灰岩

三、石灰岩的主要類型

(一)顆粒石灰岩

顆粒石灰岩常呈淺灰色至灰色,中厚層至厚層或塊狀。岩石中顆粒含量大于50%。顆粒可以是生物碎居、内碎屑、鲕粒、藻粒、球粒(團粒)等其中的一種或幾種。粒徑可以大至漂礫級,最小到粉屑級;它們的填隙物可以是灰泥雜基或亮晶膠結物,或兩者均有。

顆粒的分選和圓度可以因搬運磨蝕程度而明顯不同,潮上或礁前環境形成的顆粒石灰岩中的顆粒多呈棱角狀碎屑,淺水波浪環境的顆粒石灰岩中的顆粒分選磨圓度良好,風成砂丘或海灘顆粒石灰岩的顆粒分選磨圓度特别好。

沖洗幹淨、分選好的顆粒石灰岩,通常代表水淺、波浪和流水作用較強烈的環境,其中灰泥被簸選走,顆粒被亮晶方解石膠結,波痕、交錯層理及沖刷構造常見。

(二)泥晶石灰岩

泥晶石灰岩或稱為灰泥石灰岩,一般呈灰色至深灰色,薄至中層為主。岩石主要由泥晶方解石構成,其中顆粒含量小于10%或不含顆粒。這類石灰岩中時常發育水平紋理,其層面常發育水平蟲迹,層内可見生物擾動構造。純泥晶石灰岩常具光滑的貝殼狀斷口。

這類岩石中顆粒含量很低,但顆粒的類型尤其是生物碎屑的種類為判斷岩石沉積環境的重要标志。如含有底栖雙殼類、有孔蟲及綠藻等局限環境生物,則沉積于淺水環境;如含浮遊生物則可能沉積于深水環境。泥晶石灰岩中如有藻類活動及随後發育的鳥眼構造,則為潮間或潮上環境的典型标志。丘狀的泥晶石灰岩内如有少量障積生物的支架,則屬生物泥丘沉積岩,具有特殊的生态意義及環境意義。總之,泥晶石灰岩主要發育于基本沒有簸選的低能環境,如淺水瀉湖、局限台地或較深水的斜坡和盆地環境等。

(三)生物礁石灰岩

生物礁灰岩主要是由造礁生物骨架及造礁生物粘結的灰泥沉積物等組成的石灰岩。根據生物礁石灰岩中生物骨架及其粘結物的相對含量等,生物礁石灰岩可進一步分出原地沉積的障積岩(bafflestone)、骨架岩(framestone)、粘結岩(bindstone)及與這三類岩石具有成因聯系的異地沉積的漂礫岩(floatstone)和礫屑岩(rudstone),這些岩石的詳細特征參見本書的第二十七章。

生物礁石灰岩在地貌上高于同期沉積物的石灰岩而呈塊狀岩隆。主要的造礁生物有鈣藻、珊瑚、海綿動物、苔藓蟲、層孔蟲、厚殼蛤等,這些生物随着地質時代而變化。根據造礁生物種類的不同,生物礁石灰岩可進一步命名為藻礁石灰岩、珊瑚礁石灰岩等。

(四)晶粒石灰岩

這是一類較特殊的石灰岩,主要由方解石晶粒組成。其中較粗晶的晶粒石灰岩大都是重結晶作用或交代作用的産物。這類岩石的原始沉積結構和構造,可以通過陰極發光法等方法識别。

 

 

 

第四節  白雲岩(Dolostones)

學時3學時(其中理論教學2學時、實驗1學時)

基本内容

白雲岩岩類學,幾種主要白雲石化的作用機理,白雲岩的成因分類

重點與難點白雲岩的生成機理

教學思路在白雲岩岩類學部分,通過與石灰岩的分類的對比來介紹白雲岩的結構分類;在白雲岩的生成機理部分,重點講解幾種常見的白雲石化機理以及控制白雲化作用的因素,如蒸發泵作用、回流滲透作用、混合白雲化作用等,最後簡要介紹白雲岩的成因分類。

主要參考書:

①馮增昭主編《沉積岩石學》上冊第十四章,石油工業出版社,1993.

②曾允孚、夏文傑主編《沉積岩石學》第九章,地質出版社,1986.

③馮增昭編著《碳酸鹽岩石學及岩相古地理學》,石油工業出版社,1989.

④何幼斌編《Sedimentary Petrology》(英文輔助教材)第六章,江漢石油學院,2003.

複習思考題

具交代結構的白雲石、白雲岩有哪些鑒别标志?

白雲岩有哪幾種生成方式?它們的形成要理如何?

③原生沉澱作用、毛細管濃縮作用、回流滲透白雲化作用與混合白雲化作用有什麼本質的區别?

教學内容提要

一、白雲岩岩類學

    (一)概念

    (二)白雲岩的結構分類(重點)

1)石灰岩的結構分類系統和命名原則,基本上也适用于白雲岩,因為白雲岩也主要是由顆粒、泥、膠結物、生物格架及晶粒等五種結構組分組成的,所不同的是白雲岩的成分主要是白雲石。

2)白雲岩中,晶粒結構發育,泥晶、粉晶、細晶、中晶以至粗晶結構部相當常見;晶粒較粗的,晶形常較好且多呈自形或半自形晶,其集合體常呈砂糖狀

3)在白雲岩中,交代結構發育,如

晶粒較粗的白雲石菱形體交代各種顆粒及化石等。

晶形較好的白雲石菱形體,常具環帶或污濁核心等—交代殘餘現象。

石灰岩中的雲斑,白雲岩中的石灰岩殘餘體等—交代作用現象。

根據交代結構與其伴生的其他交代現象的有無,可把白雲岩劃分為兩個類型:

1)具交代結構的白雲岩(包括含白雲石的石灰岩)

交代成因,次生的,非原生化學沉澱成因的

2)不具交代結構或其他交代現象的白雲岩

原生沉澱成因?/次生交代成因?

二、白雲岩的生成機理

(一)原生沉澱作用

        1.原理

以化學沉澱的方式從水體中直接沉澱出來的白雲石

現在,在常溫常壓條件下,在實驗室中沿未合成出真正的、化學計量的白雲石。

        2.實例

(二)毛細管濃縮作用——準同生白雲化作用(重點)

1.原理

在現代熱帶地區的潮上帶,剛沉積不久的表層沉積物,主要是文石。這些沉積物還是疏松的,其粒間充滿着水。這些粒間水,在開始階段是正常的海水。由于該地區氣候幹熱,蒸發作用強烈,這些粒間水就不斷地向空氣中散發。與此同時,海水又通過毛細管作用,源源不斷地補充到這些疏松的沉積物的顆粒之間。久而久之,這些粒間水的含鹽度就變大了,正常的海水就變成了鹽水。從這種鹽水中首先沉澱出來的是石膏,也可能還有一些其他鹽類礦。如波斯灣南岸的廣大潮上地帶。

石膏的沉澱使粒間水或表層積水的Mg/Ca比率大大提高。正常海水的Mg/Ca約為3:1~4:1,而幹熱地區潮上地帶表層沉積物的粒間水或表層積水,其Mg/Ca可達20:1,甚至更高。這種高鎂的粒間鹽水或表層水經常與文石顆粒相接觸,将不可避免地使文石被交代,被白雲化,即使文石轉化為白雲石。現代潮上地帶的白雲石殼就是這樣形成的。

準同生——距沉積期很近,剛沉積不久沿未脫離沉積環境就被交代。

費裡德曼和桑德斯(FriedmanandSanders1967)把這一作用叫做“毛細管濃縮作用”,許靖華和西根撒勒(HsuandSiegenthaler1969)把這一作用叫做“蒸發泵作用”(evaporativepumpingdolomitization)。

2.特征

1)泥晶、粉晶

2)具潮上環境特征,如蒸發礦物(石膏、石鹽等)

3)黃色、土黃色

4)含泥質

5)薄層為主

 

 

 

 

 

 

 

 

 

 

 

 

 

 

 

 

 

 

 

 

 

波斯灣南岸卡塔爾西部費哈瀉湖附近的薩布哈及其他沉積環境分布圖

(據伊林等,1965)圖西部的侯賽因瀉湖與波斯灣相連

 

(三)回流滲透白雲化作用(重點)

 

 

 

 

 

 

 

 

 

 

 

 

 

 

 

 

 

        1.原理

在潮上地帶形成的高鎂粒間鹽水,當其對表層沉積的的白雲化基本完了時,産生這種高鎂鹽水的地質條件還仍然持續存在,那麼多餘的高鎂鹽水必然會向下回流。這種向下回流滲透的高鎂鹽水,在其穿過下伏的碳酸鈣沉積物或石灰岩時,必然會使它們發生白雲石化;從而形成白雲岩或部分白雲化的石灰岩。

戴菲斯等(Deffeyesetal.1965)曾以拉丁美洲小安的列斯群島博内爾島的潮上地區及瀉湖為例,對這一作用進行了詳細的論述。

        2.白雲岩的特征

1)形成較晚,一般在成岩期的,甚至是成岩期以後的。

2)晶粒一般較粗,多在粉晶以上,如砂糖狀白雲岩。

3)常與準同生白雲岩伴生

(四)混合白雲化作用(重點)

 

 

 

 

 

 

 

 

 

 

地下水與海水混合液對方解石和白雲石的飽和程度的影響

 

 

 

 

 

 

 

 

 

美國威斯康星中奧陶統米夫林段的白雲化作用示意圖

 

(五)控制白雲石結晶的主要因素——Mg/Ca、鹽度和結晶速度(重點)

1.自然界難以形成化學計量白雲石的原因

2.淡水白雲石

FolkLand指出,在變鹽度的環境中,在淡水和海水的混合帶中,以及在其他淡化或淡水作用的環境中,都可以形成白雲石,溶液的Mg/Ca比率隻要近于1:1即可。

淡水白雲石特征:成分較純,幾乎不含雜質,清潔,透明,晶形良好,晶面平整而光滑,抗酸蝕能力強。

淡水白雲石廣泛存在,但不具地層學意義。

FolkLand還設計了一個鹽度、Mg/Ca與白雲石和方解石結晶範圍圖解。

 

 

 

 

 

 

 

 

 

 

 

 

 

在常見的天然水中,鹽度和Mg/Ca比率與白雲石和方解石結晶的範圍

(六)調整白雲化作用

古德爾和加曼(GoodellandGarman1969)在對大巴哈馬灘上安德羅斯島上的一口深探井(蘇必利爾井)進行詳細的岩石學和地球化學研究以後,提出了一個新的白雲化作用機理——調整白雲化作用。

在大氣水的影響下,原來的碳酸鹽沉積物的成分,經過淋濾、溶解作用和交代作用,在化學成分及礦物成分上進行重新組合或調整,使原來的碳酸鹽沉積物發生白雲化,從而生成白雲岩的作用。

當海平面下降使沉積物中的高鎂方解石暴露于大氣淡水中時,高鎂方解石就會發生溶解,釋放出Mg2+,使該處或下伏的碳酸鹽沉積物發生白雲石化。

這種白雲石化作用所需要的鎂就來自沉積物本身,不需要另外的鎂來源。

它所需要的條件主要是海平面相對下降,使原生沉澱的不穩定的碳酸鹽礦物暴露于大氣水作用下,從而使這些不穩定的碳酸鹽礦物發生溶解作用和調整白雲化作用。

(七)其他白雲化作用

1.生物白雲化作用

        2.埋藏白雲化作用

        3.碎屑白雲石

        4.熱液白雲石和變質白雲石

三、白雲岩和成因分類

1.原生白雲岩

2.次生白雲岩

        1)同生白雲岩。

        2)準同生白雲岩。

        3)成岩白雲岩。

        4)後生白雲岩。

3.其他術語

        1)碎屑白雲岩

        2)生物白雲岩

        3)化學白雲岩

        4)風化白雲岩

5)地層白雲岩

6)構造白雲岩

 

 

 

第五節  碳酸鹽沉積物的沉積後作用

(postsedimentational process of carbonate sediments)

學時4學時(其中課堂教學2學時、實驗2學時)

基本内容

基本概念:沉積後作用、溶解作用、礦物的轉化與重結晶作用、膠結作用、世代膠結、交代作用、壓實作用、滲流粉砂、觸點-新月型膠結、重力-懸挂膠結、貼面結合、連生膠結、成岩階段、成岩序列

碳酸鹽沉積物沉積後作用的主要類型及其特征,碳酸鹽沉積物沉積後作用環境的成岩作用特征;碳酸鹽岩成岩階段及成岩環境的劃分及其主要标志。

重點與難點碳酸鹽沉積物沉積後作用的主要類型及特征、不同碳酸鹽沉積物沉積後作用環境的成岩作用特征

教學思路首先介紹碳酸鹽沉積物沉積後作用的主要類型及特征,注意與碎屑沉積物沉積後作用的異同;重點講解不同碳酸鹽沉積物沉積後作用環境的環境特征及其成岩作用特征,最後簡要介紹碳酸鹽岩成岩階段及成岩環境的劃分及其主要标志。

主要參考書:

①馮增昭主編《沉積岩石學》上冊第十五章,石油工業出版社,1993.

②曾允孚、夏文傑主編《沉積岩石學》第三章,地質出版社,1986.

③馮增昭等主編《中國沉積學》第二、八、九章,石油工業出版社,1994.

④劉寶珺、張錦泉主編《沉積成岩作用》,科學出版社,1992.

複習思考題

影響碳酸鹽沉積物沉積後變化的因素有哪些?

研究碳酸鹽沉積物沉積後作用的意義有哪些?

試述碳酸鹽沉積物沉積後作用主要類型的含義。每種作用發生在沉積後的哪些階段?其鑒别标志是什麼?

具顆粒結構的石灰岩中,其膠結物的礦物成分和晶體形态受到哪些因素的影響?

在碳酸鹽岩中文石向低鎂方解石轉化的機理是什麼?重結晶作用的機理又是什麼?

試述去白雲化作用岩石的鑒别标志。在碳酸鹽岩中膏化作用的機理是什麼?

試比較共軸生長邊和共軸交代邊的成因特點及其鑒别标。

碳酸鹽沉積物沉積後作用的五種環境分别可能出現哪些成岩後生變化的類型?

教學内容提要

一、碳酸鹽沉積物沉積後作的主要類型

(一)溶解作用

亮晶鲕粒灰岩,淡水選擇性溶解形成粒内溶孔,飛仙關組,單偏光,4×10

具殘餘鲕粒結構白雲岩,粒間溶孔發育,埋藏溶解作用,飛仙關組,單偏光,4×10

(二)碳酸鈣礦物的轉化作用和重結晶作用(重點)

            1、礦物的轉化作用——方解石化作用

           2、重結晶作用:注意講解“微亮晶”和“微泥晶”

海洋軟泥受淡水沖洗,解除了“鎂套”的束縛,重結晶為微亮晶方解石的過程

(三)膠結作用(重點)

        1、碳酸鹽膠結物的礦物成分和結晶形态

2、溶解離子對碳酸鹽膠結物晶出和形态的影響

      

鎂方解石成為平行于C軸的纖維狀或陡斜面體示意圖

3、結晶速度對碳酸鹽膠結物結晶形态的影響

 

Mg/Ca比值影響方解石晶體習性

4、底質對碳酸鹽膠結物的“礦物學效應”

           5、膠結物的世代

           6、亮晶方解石膠結物與新生變形方解石的區别

           7、碳酸膠結物的來源

亮晶鲕粒灰岩,具兩世代膠結作用,一世代為纖狀等厚環邊膠結物,

二世代為粒狀膠結物,飛仙關組,單偏光,10×10

(四)交代作用

           1、去白雲化作用

           2、石膏化和硬石膏化作用

        3、去石膏化作用

膏質白雲岩,石膏發育,硬石膏作用,飛仙關組,單偏光,4×10

(五)壓實作用

1、物理壓實作用

           2、化學壓實作用——壓溶作用

           3、影響壓實作用的因素

二、碳酸鹽沉積物沉積後作用的環境(重點)

(一)海水環境

           1、海水潛流亞環境及其成岩作用

                  1)溶解作用

                  2)膠結作用

                  3)生物成岩作用——藻鑽孔和泥晶化

                  4)新生變形作用

           2、海水滲流亞環境及其成岩作用

                  1)膠結作用

                  2)藻鑽孔和泥晶化作用

                  3)交代作用

(二)大氣淡水環境

           1、淡水滲流亞環境及其成岩作用

                  1)溶解作用

                  2)膠結作用

           2、淡水潛流亞環境及其成岩作用

                  1)溶解作用

                  2)膠結作用

                  3)新生變形和重結晶作用

(三)海水—淡水混合環境

           1、海水—淡水混合環境

           2、海水—淡水混合成岩作用

                  1)溶解作用

                  2)膠結作用

                  3)白雲石化作用

                  4)新生變形作用

(四)埋藏環境

            1、物理壓實作用

           2、化學壓實(壓溶)作用

           3、膠結作用

                  1)淺埋藏環境的膠結作用

                  2)深埋藏環境的膠結作用

                  3)埋藏膠結物的判别标志

                  4)深埋藏膠結物的沉澱條件

                  5)埋藏環境膠結物和水的同位素特征

           4、溶解作用

           5、交代作用

(1)       白雲石化作用

細晶白雲岩,具霧心結構,飛仙關組,單偏光,4×10

2)矽化作用

           6、熱引起的礦物穩定化反應

           7、有機質的生物化學蝕變作用

           8、幹酪根的熱化學蝕變作用

           9、新生變形和重結晶作用

(五)表生環境

三、成岩序列和成岩階段(簡介)

(一)成岩序列

(二)成岩階段及其劃分标志

1、早期成岩階段

2、中期成岩作用

3、晚期成岩階段

 

 

 

Baidu
sogou